Philips HID-HighPower BSN 1000 L78 230/240V 50Hz HP-257
€517.25
€427.48
excl. Tax
incl. Tax
Expected shipping before 2 February
Want to order larger quantities?
- Free shipping above €121 incl. TaxFree shipping above €100 excl. Tax
- Business customer? Purchase on account
- Easy returns within 14 days
Specifications
Clear
General
|
i
The recommended quantity refers to the number of products pre-packaged by the manufacturer. When you buy this quantity, we deliver the products in the original package from the manufacturer.
|
Full box quantity | 1 |
|---|
General Information
| SKU | 180335 | |
|---|---|---|
| EAN | 8711500996640 | |
| Brand | Philips | |
| Manufacturer Name | BSN 1000 L78-A2 230/240V 50Hz HP-257. | |
|
i
Our all-in warranty is fully included in the product price and covers both hidden defects and technical defects of the product that occurred before delivery. The warranty period differs per product and ranges from 1 year to a maximum of 7 years.
|
Any Lamp all-in warranty | 1 Year |
Technical Information
|
i
The technology indicates the operating base of a light source. The most well-known and energy-efficient example is LED. Other techniques include Halogen, gas discharge, TL (fluorescent) and the light bulb.
|
Technology | Accessory |
|---|---|---|
| Suitable for bulb type | HPI, HPL, MH, SON | |
| Ballast for bulb type | HPI, HPL, MH, SON | |
| Maximum Wattage Rating | 1000 | |
|
i
When you dim lights, the full power does not have to be used. You therefore save extra on energy costs. Dimmable lamps can also be used to create an extra cosy atmosphere. Keep in mind that you need a LED dimmer to dim LED lights.
|
Dimmable | Not Dimmable |
| Amount of bulbs required | 1 | |
|
i
Lighting with a sensor only turns on when it receives a specific signal. This reduces energy costs. The (built-in) sensors respond to darkness (twilight switch) and/or movement (motion sensor).
|
Type of sensor | No Sensor |
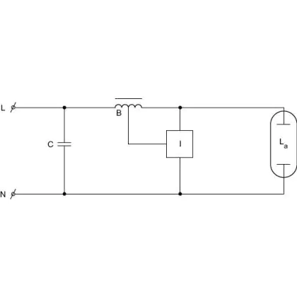
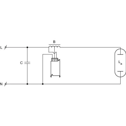
| Product Type Category | Accessory - HID Ballast |
Gear Information
| EOC8 | 6236900 | |
|---|---|---|
| Series | BSN 100 |
Description Philips HID-HighPower BSN 1000 L78 230/240V 50Hz HP-257
Philips HID-HighPower BSN 1000 L78 230/240V 50Hz HP-257 at a low price! Take advantage of Philips quality with significant discounts for large quantities! Fast delivery, do not hesitate to contact us!
Philips HID-HighPower BSN 1000 L78 230/240V 50Hz HP-257 Characteristics
The Philips HID-High Power MH, HPI, HPL, SON is ideal for pole mounting. It has excellent resistance to chemicals, humid conditions and against breakage under ambient pressure.
The Philips HID-HighPower BSN 1000 L78 230/240V 50Hz HP-257 can have 1 MH,HPI,